| 传热面积 | 10(m2) |
|---|---|
| 功率 | 24(kw) |
| 适用物料 | 多种可用 |
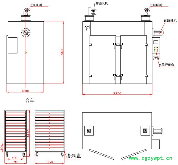
| 外形尺寸 | 2160*1160*1980(mm) |
| 应用领域 | 通用 |
| 占地面积 | 2.6(m2) |
| 重量 | 800(kg) |
| 转速 | 3450(r/min) |
| 操作方式 | 间歇式 |
| 干燥介质 | 电加热、蒸汽加热、电汽两用 |
| 工作类型 | 对流式 |
| 品牌 | 韵龙 |
| 型号 | RXH-14-C |
| 加工定制 | 是 |


应用范围
热风循环烘箱适用于制药,化工、食品、农副产品、水产品、轻工、重工等行业物料及产品的加热固化、干燥脱水。如原料药、生药、中药饮片、浸膏、粉剂、颗粒、冲剂、水丸、包装瓶、颜料、染料、脱水蔬菜、瓜果干、香肠、塑料树脂、电器原件、烘漆等。
二、说明
⒈本机是通用干燥设备;加热方式:蒸汽、电、远红外、蒸汽电 两用,供用户选择;
⒉使用温度:蒸汽加热50~140℃(<140℃);
⒊用电,远红外温度50~140℃;
⒋常用蒸汽压力0.02~0.08Mpa(2~8kg/cm2);
⒌配用电加热按Ⅰ型计算15kw、实用5~8kw/h;
⒍特殊要求可非标设计;
⒎使用温度大于140℃或小于60℃,要在定货时注明;
⒏本厂出厂烘车,烘盘尺寸统一,可以互换;
⒐烘盘尺寸:460×640×45。
三、特点
⒈控制面板采用触摸式和按钮式控制,操作方便,使用寿命长; ⒉大部分热风在箱内循环,热效率高,节约能源;
⒊利用强制通风作用,箱内设有可调式分风板,物料干燥均匀;
⒋整机噪音小,温度自控,安装维修方便;
⒌适用范围广,可干燥各种物料,是通用干燥设备;
⒍进风口备有中、高效过滤器。
技术参数:


